联系人:孔经理
服务热线:010-87238219
手机:13810783939
传真:010-67857211
公司邮箱:market06@bjsri.cn
1. 产品概述
固定式处理机组,用于油漆渣的干化处理。可利用工厂余热,或利用空气能加热,降低处理成本。处理过程清洁、环保。处理量10t/d。
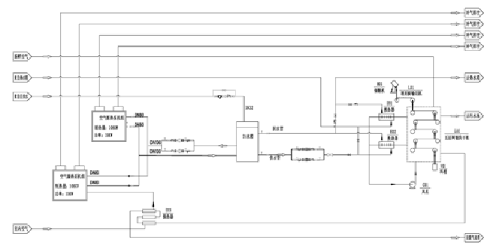
2. 工作原理及构成
利用各种余热或空气能,烘干漆渣内水分,达到减量化目的。处理过程清洁、环保。
系统包括:料筒倾翻机、破碎机、埋刮板输送机、网链式烘干机、回转接料机、控制系统等。其原理如下图所示:
3. 应用范围
本系统可处理:高有机废液、高盐度废液。
4. 技术功能及特点
4.1 专用炉体,适应废液焚烧作业;
4.2 余热利用充分,热量梯级利用,处理成本低;
4.3 自动化程度高,液晶面板操作,降低操作难度,避免人员伤害;
4.4 立体设计,占地面积小,维护容易。
扫一扫关注微信